Sazinieties ar mums
- Telpa 607-2, Building 5, Wanda Plaza, Nr.1188, Yongding Road, Yongzhong Street, Longwan, Wenzhou, Zhejiang, Ķīna
- heyuevalveactuator@gmail.com
- +86-13486831323
Lineārā gājiena ierobežojuma slēdža pozīcijas indikators
A.Vizualizācija
B. Sniedziet precīzu atsauksmes par pozīciju.
C. Uzticams sensora mehānisms, kas nodrošina precīzu pozīcijas kontroli un uzlabo drošību un darba efektivitāti.
Apraksts
Heyue lineārā gala slēdža pozīcijas indikators ir balstīts uz sarežģītu sensoru mehānismu. To parasti uzstāda kopā ar lineāro gājiena izpildmehānismu vai jebkuru citu lineāro kustību sistēmu. Kamēr izpildmehānisms ir kustībā, pozīcijas indikators nosaka un mēra lineārā gājiena pozīciju ar augstu precizitāti un uzticamību.
Lietojumprogrammas:
Ierobežojuma slēdža pozīcijas indikatora daudzpusība padara to piemērotu dažādiem rūpnieciskiem lietojumiem. To parasti izmanto:
Automatizēta ražošana:Automatizētajos ražošanas procesos pozīcijas indikators nodrošina precīzu robotu roku, konveijera sistēmu un citu lineāro kustību komponentu pozicionēšanu.
Materiālu apstrāde:Indikatoram ir būtiska nozīme materiālu apstrādes lietojumos, piemēram, šķirošanas sistēmās un iepakošanas iekārtās, nodrošinot precīzu pozīcijas atgriezenisko saiti optimālai produktu apstrādei.
Rūpnieciskais aprīkojums:No presēm līdz griešanas mašīnām, pozīcijas indikators veicina dažādu industriālo iekārtu drošu un precīzu darbību, palielinot produktivitāti un samazinot dīkstāves laiku.
Uzstādīšanas un apkopes ieteikumi
Lineārā gājiena gala slēdža pozīcijas indikatora uzstādīšana un apkope ir vienkārša. Precīzai pozīcijas kontrolei ir svarīgi ievērot ražotāja ieteikumus un nodrošināt pareizu izlīdzināšanu un kalibrēšanu. Lai saglabātu optimālu veiktspēju, ieteicams veikt regulāras pārbaudes un tīrīt.
Lineārā gala slēdža pozīcijas indikatora funkcijas:
Viegla montāža
Atvēršanas/aizvēršanas izciļņu var automātiski noregulēt atbilstoši gājiena līmenim.
LED indikators norāda gatavību darbam un sniedz informāciju par atrašanās vietu
Ūdensizturīgs, caurspīdīgs un caurspīdīgs vāks
Pieejams cits atgriezeniskās saites signāls
Dažādi piemērojamie gadījumi
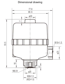
Produktu parametri:
|
|
|||
|
|
|||
|
Modelis |
IP pakāpe |
Apkārtējā temperatūra |
Savienotājs |
|
DSL616 |
Ip65 |
-20 grādi ~60 grādi |
M16×1.5(M22×1.5) |
|
Kabeļa savienojums |
Spriegums |
Jauda |
Triecienu diapazons |
|
M16×1.5 |
DC12V ~ 48V |
DC12V-0,11W, DC24V-0,45W, DC48V-1,8W |
Regulējams 10-30 mm |
|
|
|||


Populāri tagi: Lineārā gājiena ierobežojuma slēdža pozīcijas indikators, Ķīna lineārā gājiena ierobežojuma slēdža pozīcijas indikatora ražotāji, piegādātāji, rūpnīca
Jums varētu patikt arī


















